HomeServicesProductsOrderContactAboutPoliciestechspecSearch

Quartz Infrared, Inc.

Manufacturers of Quartz Infrared Electric Heating Elements

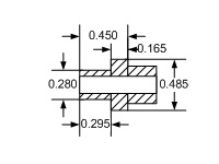
1/2 Inch Long Insert Cap



Terminations

Cap Dimensions

Spring Socket

Terminals

Lead Wires

#6 Stud

Construction limits*

Max (S-S) Length

 51" Clear

Min (S-S) Length

 5"

Min (CE) Cold End

 1"

Max Watt Density

 60 watts/inch

* Varies with termination



Note: This cap can only be used with clear tubing.

All dimensions are in inches.


Standard models

Lead
Lead Wire
Stud
Studs